
Dsp 0501 Drivers
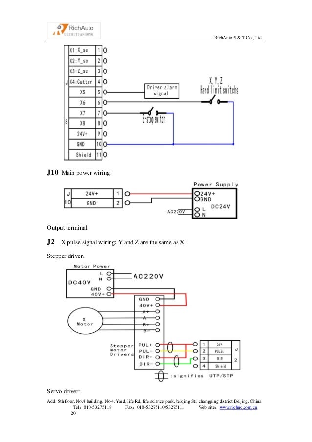
Quick Details Parameter Brand: Richauto Model: RZNC-0501-HBBE Description Origin RZNC-0501-HBBE Richauto DSP Controller Hardware Board Card From RZNC 0501 dsp controller wiring board is a part of richauto 0501 dsp controller system. It is the unit which transfers signal for machine’s movement from the hand-held remote to machine axis. It is also known as interface board, mother card or wiring board. RZNC 0501 is the old model of Richauto DSP system. Update model of 0501 is Richauto DSP A11S controller. Gentle Reminder For your information, if your router machine is coming with RZNC 0501 dsp controller, you’d better to get again 0501 model when you need replacement, simply because, the wiring of 0501 board is not the same as A11 board. Full set of RZNC 0501 DSP controller and RZNC 0501 DSP controller software can be offered also.
Payment can be made by western union and paypal. Welcome your contact. Company Profile.
AliExpress carries many dsp controller 0501 for cnc related products, including dsp 3, dsp controller for cnc, dsp system, cnc system, board for cnc, cnc milling machine board, assemble board, driver for cnc router, 4 axis dsp.
Original RichAuto A11S/111E can use it not connect computer any more, replace DSP 0501 controller from 2015 Your can use it not connect computer any more, very convenient. The software and manual (English version) will send online after purchase. A11E/A11S DSP controller --Main Information 1. This is the original brand: RichAuto 2. DSP controller for cnc router,USB connect,can be use without computer 3.
Suitable for 3 axis 4. A11E/A11S the same as 0501. The function have improve, use in the same way, A11E/A11S have replaced 0501 from 2015 5. We have set up the English version before deliver 6.
Manual and software can be sent by mail RichAuto A11 DSP controller include A11E AND A11S two Version. For the Operation and its system, it is all same. It could set the Language in DSP by yourself.

The Only different is: The handle surface of A11E is English words without Chinese. (Default delivery model) The handle surface of A11S have English and Chinese words. Product Model RichAuto----A11 CPU DSP Internal Memory 512MB Display Screen 128*64 Monochrome LCD Communication Port U disk,USB cable Controlled Axis Number 3 axes Control Signal differential signal Drive System step motor/servo motor Min.Input Unit 0.001mm No Volt Protection support Breakpoint Processing Function 8 External Power Supply Voltage 24V DC Manual Mode Continuous,point move,distance Interpolation Way line,arc Soft/Hard Limit support Max. Pulse Frequency 1M/S Password Protection support Support Language simple Chinese/traditional Chinese,English,other languages Standard Configuration (1) DSP Handle;(1) 50 core cable (1)USB cable; (1)8 I/O Wiring board;(1) data CD.